您現在所在位置:大田閥門 >> 襯氟閥門(襯里閥門)
設計與制造:API609
結構長度:API609(A)(中線)
法蘭連接尺寸:ANSI B16.5、APL605
AD71(半襯)、AD71Fs(全襯)美標對夾襯氟塑料蝶閥專用于控制非腐蝕性或強腐蝕性介質,閥體內腔表面覆有可供選擇的各種氟塑料,適用于不同工作溫度和流體管路。具有強度高、耐腐蝕性能好的特點。
適用溫度:≤100℃、≤120℃、≤150℃、(可按照襯里材料)
壓力等級:磅125、150
襯里層:電火花檢測
實驗與檢驗按APL598標準
公稱壓力:PN閥體:Lb×1.5 密封:Lb×1.1
上閥體:鑄鐵、碳鋼、不銹鋼 下閥體:鑄鐵、碳鋼、不銹鋼 蝶板:不銹鋼、碳鋼完全包覆氟塑料
蝶板軸:不銹鋼 閥座:PTFE、PCTFE、FEP、PFA 彈性條(墊):Si
O型圈:Viton 手柄:鑄鐵、鑄鋁合金
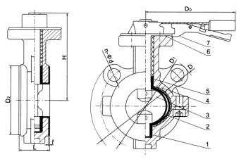
1、閥體2、蝶圈3、蝶板4、四氟圈5、蝶形彈簧墊圈6、手柄定位板7、手柄

| 公稱通徑 | L mm |
D mm |
D1 mm |
D2 mm |
f mm |
b mm |
n-Фd mm |
H mm |
D0 mm |
蝸輪裝置 | 氣動裝置 | 電動裝置 | ||||
|---|---|---|---|---|---|---|---|---|---|---|---|---|---|---|---|---|
| DN | NPS | A | B | A | B | A | B | |||||||||
| 50 | 2 | 43 | 152 | 120.5 | 92 | 3 | 16 | 4-19 | 132 | 264 | 45 | 120 | 125 | 94 | 162 | 187 |
| 65 | 21/2 | 46 | 178 | 139.5 | 105 | 3 | 18 | 4-19 | 155 | 290 | 45 | 120 | 165 | 108 | 162 | 187 |
| 80 | 3 | 46 | 190 | 152.5 | 127 | 3 | 19 | 4-19 | 160 | 290 | 45 | 120 | 185 | 128 | 162 | 187 |
| 100 | 4 | 52 | 229 | 190.5 | 157 | 3 | 24 | 8-19 | 164 | 290 | 45 | 120 | 185 | 128 | 162 | 187 |
| 125 | 5 | 56 | 254 | 216 | 186 | 3 | 24 | 8-22 | 190 | 290 | 45 | 120 | 210 | 137 | 162 | 187 |
| 150 | 6 | 56 | 279 | 241.5 | 216 | 3 | 26 | 8-22 | 215 | 320 | 66 | 150 | 224 | 160 | 162 | 187 |
| 200 | 8 | 60 | 343 | 298.5 | 270 | 3 | 29 | 8-22 | 273 | 85 | 170 | 295 | 182 | 409 | 513 | |
| 250 | 10 | 68 | 406 | 362 | 324 | 4 | 31 | 12-25 | 325 | 85 | 170 | 382 | 228 | 409 | 513 | |
| 300 | 12 | 78 | 483 | 432 | 381 | 4 | 32 | 12-25 | 360 | 106 | 205 | 382 | 228 | 409 | 513 | |
| 350 | 14 | 78 | 533 | 476 | 413 | 4 | 35 | 12-29 | 430 | 106 | 205 | 440 | 262 | 409 | 513 | |
| 400 | 16 | 102 | 597 | 540 | 470 | 4 | 37 | 16-29 | 475 | 130 | 240 | 585 | 332 | 409 | 513 | |
| 450 | 18 | 114 | 635 | 578 | 533 | 4 | 40 | 16-32 | 525 | 155 | 240 | 585 | 332 | 409 | 513 | |
| 500 | 20 | 127 | 699 | 635 | 584 | 4 | 43 | 20-23 | 565 | 169 | 306 | 585 | 332 | 409 | 513 | |
| 600 | 24 | 154 | 813 | 749.5 | 692 | 5 | 48 | 20-25 | 630 | 198 | 324 | 642 | 380 | 409 | 563 | |
| 750 | 30 | 165 | 887 | 846 | 813 | 5 | 45 | 44-23 | 675 | 220 | 335 | 702 | 438 | 409 | 563 | |
| 900 | 36 | 200 | 1057 | 1009.7 | 972 | 5 | 53 | 44-26 | 805 | 241 | 365 | 702 | 438 | 409 | 563 | |
| 1000 | 42 | 251 | 1226 | 1171.4 | 1130 | 5 | 59 | 48-29 | 995 | 241 | 356 | 1890 | 440 | 409 | 563 | |
| 1200 | 48 | 276 | 1392 | 1335 | 1289 | 5 | 65 | 44-32 | 1170 | 241 | 356 | 1890 | 545 | |||
溫馨提示:
本文中所有文字、數據、圖片均只適用于參考。需要查看更多的AD71(半襯)、AD71Fs(全襯)美標對夾襯氟塑料蝶閥性能參數、結構尺寸參數、價格等詳情,或要求印刷樣本,請聯系我們。