您現在所在位置:大田閥門 >> 襯氟閥門(襯里閥門)
設計與制造:BS5156
結構長度:BS5156
法蘭連接尺寸:BS4504、DIN2532、JIS B2212、ANSI B16.1、IS02004
EG6B41F(無襯里)、EG6B41Fs(襯氟塑料)氣動隔膜閥(常閉型)專用于控制非腐蝕性或強腐蝕性介質,閥體內腔表面無襯里或覆有可供選擇的各種氟塑料,適用于不同工作溫度和流體管路。
適用溫度:≤85℃、≤100℃、≤120℃、≤150℃、(可按照襯里和隔膜材料)
壓力等級:0.6、1.0、1.6
襯里層:電火花檢測
實驗與檢驗按BS6755標準
公稱壓力:PN 閥體:PN×1.5 密封:PN×1.1
材料:
閥體:鑄鐵、球墨鑄鐵、碳鋼、不銹鋼 閥蓋:鑄鐵、球墨鑄鐵、碳鋼、不銹鋼
襯里:無襯里、氟塑料 隔膜:氟塑料
閥瓣:鑄鐵、碳鋼 氣缸:鋁合金、碳鋼 氣動薄膜:橡膠 閥桿:碳鋼、不銹鋼 手輪:鑄鐵
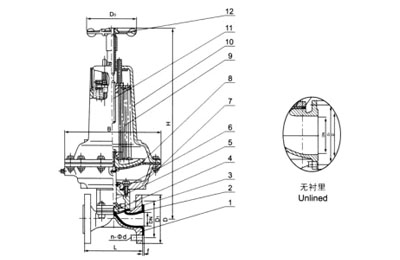
部件列表:
1、閥體2、閥體襯里3、隔膜4、閥瓣5、下閥桿6、閥蓋7、氣缸8、氣動薄膜9、彈簧10、氣缸蓋11、上閥桿12、手輪

| DN | 公稱壓力 | 工作壓力 | L | D | D1 | n-Фd | f | H | D0 | B | 代號 | 氣源 壓力 |
氣源接頭 | 耗氣量 | 重量 |
|---|---|---|---|---|---|---|---|---|---|---|---|---|---|---|---|
| 15 | 1.6 | 1.6 | 108 | 95 | 65 | 2 | |||||||||
| 20 | 117 | 105 | 75 | 4-13.5 | 2 | 120 | 168 | 61 | 0.3 | 1/8 | 163.87 | 7.2 | |||
| 25 | 127 | 115 | 85 | 4-13.5 | 2 | 394 | 120 | 168 | 61 | 0.3~0.4 | 1/8 | 196.65 | 8.9 | ||
| 32 | 146 | 140 | 100 | 4-17.5 | 2 | 400 | 120 | 168 | 61 | 0.3~0.4 | 1/8 | 229.4 | 10.6 | ||
| 40 | 259 | 150 | 110 | 4-17.5 | 2 | 485 | 165 | 260 | 62 | 0.3~0.4 | 1/4 | 1425.7 | 19.5 | ||
| 50 | 190 | 165 | 125 | 4-17.5 | 2 | 635 | 165 | 318 | 63 | 0.3~0.4 | 1/4 | 2284.1 | 34.9 | ||
| 65 | 1.0 | 1.0 | 216 | 185 | 145 | 4-17.5 | 2 | 650 | 165 | 318 | 63 | 0.3~0.4 | 1/4 | 3048 | 39.9 |
| 80 | 254 | 200 | 160 | 8-17.5 | 2 | 660 | 165 | 318 | 63 | 0.4~0.5 | 1/4 | 3244.7 | 51.9 | ||
| 100 | 305 | 220 | 180 | 8-17.5 | 2 | 816 | 280 | 425 | 64 | 0.4~0.5 | 3/8 | 6964.5 | 93.2 | ||
| 125 | 0.6 | 356 | 250 | 210 | 8-17.5 | 3 | 825 | 280 | 425 | 64 | 0.4~0.5 | 3/8 | 7439.7 | 105.3 | |
| 150 | 406 | 285 | 240 | 8-22 | 3 | 1013 | 310 | 549 | 65 | 0.5 | 3/8 | 14912 | 184.5 | ||
| 200 | 0.4 | 521 | 340 | 295 | 8-22 | 3 | 1300 | 483 | 749 | 66 | 0.6 | 1/2 | 49161 | 407.4 |
注:1.氣動隔膜閥門尚可附裝反饋信號、限位器或定位器,以適應自控、程控或調節流量的需要。
2.氣動閥門的反饋信號采用無觸點傳感技術。
3.采用薄膜式氣缸替代活塞式氣缸,排除了活塞環易損漏而導致無法啟閉閥門的弊端
4.當氣源發生故障時,可操作手輪使閥門開啟。
1.氣動隔膜閥可根據不同的介質和操作壓力,按下表選擇不同規格的執行機構,以達到最理想的使用效果。
2.下表中帶★標記的為本廠基型配置產品。
3.當用戶不提出要求時,氣動隔膜閥的密封壓力一般調試為0.66MPa,只有LP<0.6MPa的閥門,其密封壓力按表中的LP值進行調試。
4.表中的OP為氣源操作壓力,LP為管道壓力。

| 公稱通徑 | 工況條件 | 氣動裝置操作壓力范圍 | ||||||
|---|---|---|---|---|---|---|---|---|
| ES60 | ES61 | ES62 | ES63 | ES64 | ES65 | ES66 | ||
| 20 | OP | 0.3 | ||||||
| LP | 1.0★ | |||||||
| 25 | OP | 0.46 | 0.29 | |||||
| LP | 0.8★ | 1.0 | ||||||
| 32 | OP | |||||||
| LP | ||||||||
| 40 | OP | 0.41 | 0.38 | 0.26 | ||||
| LP | 0.2 | 1.0★ | 1.0 | |||||
| 50 | OP | 0.42 | 0.36 | 0.2 | ||||
| LP | 0.4 | 1.0★ | 1.0 | |||||
| 65 | OP | 0.36 | 0.44 | 0.3 | ||||
| LP | 0.2 | 1.0 | 1.0 | |||||
| 80 | OP | 0.42 | 0.4 | |||||
| LP | 0.4 | 1.0 | ||||||
| 100 | OP | 0.45 | 0.42 | |||||
| LP | 0.5★ | 0.7 | ||||||
| 125 | OP | 0.48 | 0.5 | |||||
| LP | 0.3★ | 0.6 | ||||||
| 150 | OP | 0.46 | 0.52 | 0.4 | ||||
| LP | 0.1 | 0.4★ | 0.7 | |||||
| 200 | OP | 0.4 | ||||||
| LP | 0.3★ | |||||||
| 250 | OP | |||||||
| LP | ||||||||
| 代號w | ES61 | ES62 | ES63 | ES64 | ES65 | ES66 | ||||||
|---|---|---|---|---|---|---|---|---|---|---|---|---|
| D0w | 120 | 165 | 165 | 280 | 310 | 483 | ||||||
| Bw | 168 | 260 | 318 | 425 | 459 | 749 | ||||||
| DN | H | Kg | H | Kg | H | Kg | H | Kg | H | Kg | H | Kg |
| 20 | 390 | 9 | ||||||||||
| 25 | 391 | 10 | 452 | 18.5 | ||||||||
| 32 | 413 | 12 | 474 | 20 | ||||||||
| 40 | 418 | 13 | 478 | 22 | ||||||||
| 50 | 449 | 16.5 | 487 | 25 | 620 | 34.5 | ||||||
| 65 | 503 | 30 | 636 | 40 | ||||||||
| 80 | 512 | 39 | 645 | 46.5 | 799 | 82.5 | ||||||
| 100 | 549 | 48.5 | 686 | 56.5 | 819 | 93 | 918 | 151 | ||||
| 125 | 702 | 64 | 835 | 104 | 940 | 159.5 | 293.5 | |||||
| 150 | 898 | 113.5 | 998 | 186 | 1153 | 324 | ||||||
| 200 | 1231 | 407 | ||||||||||
| 250 | 1297 | 475 | ||||||||||
注:表中重均為短結構閥體。
| DN | ES53 ES60 ES67 |
ES54 ES61 ES68 |
ES62 | ES55 ES69 |
ES63 | ES56 ES70 |
||||||
| In3 | cm3 | In3 | cm3 | In3 | cm3 | In3 | cm3 | In3 | cm3 | In3 | cm3 | |
| 20 | 2.2 | 36.05 | 10 | 163.87 | ||||||||
| 25 | 2.5 | 40.97 | 12 | 196.65 | 70 | 1147.1 | 70 | 1147.1 | ||||
| 32 | 14 | 229.4 | 83 | 1360.1 | 74 | 1212.6 | ||||||
| 40 | 16 | 262.19 | 87 | 1425.7 | 89 | 1458.4 | ||||||
| 50 | 20 | 327.74 | 91 | 1491.2 | 85 | 1392.9 | 175 | 2884.1 | 193 | 3162.7 | ||
| 65 | 96 | 1573.5 | 90 | 1474.8 | 186 | 3047.9 | 204 | 3342.9 | ||||
| 80 | 102 | 1671.5 | 97 | 1589.5 | 198 | 3244.7 | 215 | 3523.7 | ||||
| 100 | 110 | 1802.6 | 210 | 3441.3 | 227 | 3719.8 | ||||||
| 125 | 222 | 3637.9 | 239 | 3916.5 | ||||||||
| 150 | ||||||||||||
| 200 | ||||||||||||
| 250 | ||||||||||||
| 氣源接頭 | RC1/8 | RC1/8 | ||||||||||
| DN | ES64 | ES57 ES71 |
ES65 | ES58 ES72 |
ES66 | ES73 | ||||||
|---|---|---|---|---|---|---|---|---|---|---|---|---|
| In3 | cm3 | In3 | cm3 | In3 | cm3 | In3 | cm3 | In3 | cm3 | In3 | cm3 | |
| 20 | ||||||||||||
| 25 | ||||||||||||
| 32 | ||||||||||||
| 40 | ||||||||||||
| 50 | ||||||||||||
| 65 | ||||||||||||
| 80 | 405 | 6636.7 | 405 | 6636.7 | ||||||||
| 100 | 425 | 6946.5 | 425 | 6918.1 | 650 | 10651.6 | ||||||
| 125 | 454 | 7439.7 | 450 | 7374.7 | 700 | 11470.9 | 650 | 10651.6 | ||||
| 150 | 478 | 7980.5 | 475 | 7783.8 | 910 | 14912.1 | 650 | 10651.6 | 3000 | 49161 | 2000 | |
| 200 | 1020 | 16714.7 | 650 | 10651.6 | 3000 | 49161 | 2400 | 32774 | ||||
| 250 | 650 | 10651.6 | 3000 | 49161 | 2400 | 339328.89328.8 | ||||||
| 氣源接頭 | RC3/8 | RC1/2 | RC3/8 | |||||||||
溫馨提示:
本文中所有文字、數據、圖片均只適用于參考。需要查看更多的EG6B41F(無襯里)、EG6B41Fs(襯氟塑料)氣動隔膜閥(常閉型)性能參數、結構尺寸參數、價格等詳情,或要求印刷樣本,請聯系我們。