德標法蘭卡套旋塞閥適用于公稱壓力PN1.6-16MPa,工作溫度-29-180℃的石油、化工、制藥、化肥、電力行業等各種工況的管路上,切斷或接通管路介質。
當前旋塞閥廣泛地應用于油田開采、輸送和精練設備中,同時也廣泛用于石油化工、化工、煤氣、天然氣、液化石油氣、暖通行業以及一般工業中。

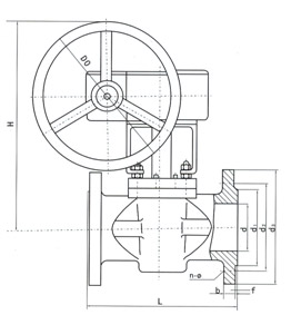
| 公稱壓力(mpa) | 公稱通徑 (in) | 尺 寸(mm) | |||||||||
|---|---|---|---|---|---|---|---|---|---|---|---|
| d | d1 | d2 | d3 | L | b-f | N-Ф | H | Lo | Do | ||
| 10.0 (PN100) |
15 | 15 | 45 | 75 | 105 | 130 | 20-2 | 4-Ф14 | 150 | 300 | - |
| 25 | 25 | 68 | 100 | 140 | 160 | 24-2 | 4-Ф18 | 160 | 300 | - | |
| 32 | 32 | 75 | 110 | 155 | 180 | 24-3 | 4-Ф22 | 180 | 350 | - | |
| 40 | 40 | 88 | 125 | 170 | 200 | 28-3 | 4-Ф22 | 190 | 400 | - | |
| 50 | 50 | 102 | 145 | 195 | 230 | 30-3 | 8-Ф26 | 200 | 500 | - | |
| 65 | 70 | 122 | 170 | 220 | 290 | 34-3 | 8-Ф26 | 220 | 500 | - | |
| 80 | 80 | 138 | 180 | 230 | 310 | 36-3 | 8-Ф26 | 230 | 550 | - | |
| 100 | 97 | 162 | 210 | 265 | 350 | 40-3 | 8-Ф30 | 380 | - | 300 | |
| 125 | 125 | 188 | 250 | 315 | 400 | 40-3 | 8-Ф33 | 460 | - | 300 | |
| 150 | 150 | 218 | 290 | 355 | 480 | 44-3 | 12-Ф33 | 520 | - | 320 | |
| 200 | 200 | 285 | 360 | 430 | 600 | 52-3 | 12-Ф36 | 580 | - | 320 | |
| 250 | 250 | 345 | 430 | 505 | 730 | 60-3 | 16Ф39 | 620 | - | 350 | |
| 300 | 300 | 410 | 500 | 585 | 850 | 68-3 | 16-Ф42 | 680 | - | 380 | |
| 16 (PN160) |
15 | 15 | 45 | 75 | 105 | 130 | 20-2 | 4-Ф14 | 150 | 300 | - |
| 25 | 25 | 68 | 100 | 140 | 160 | 24-2 | 4-Ф18 | 160 | 300 | - | |
| 40 | 40 | 88 | 125 | 170 | 200 | 28-3 | 4-Ф22 | 190 | 400 | - | |
| 50 | 50 | 102 | 145 | 195 | 230 | 30-3 | 8-Ф26 | 200 | 500 | - | |
| 65 | 70 | 122 | 170 | 220 | 290 | 34-3 | 8-Ф26 | 220 | 500 | - | |
| 80 | 80 | 138 | 180 | 230 | 310 | 36-3 | 8-Ф26 | 230 | 550 | - | |
| 100 | 97 | 162 | 210 | 265 | 350 | 40-3 | 8-Ф30 | 240 | - | 300 | |
| 125 | 130 | 188 | 250 | 315 | 400 | 44-3 | 8-Ф33 | 460 | - | 300 | |
| 150 | 153 | 218 | 290 | 355 | 480 | 50-3 | 12-Ф33 | 520 | - | 320 | |
| 200 | 194 | 285 | 360 | 430 | 600 | 60-3 | 12-Ф36 | 580 | - | 320 | |
| 250 | 239 | 345 | 430 | 505 | 730 | 68-3 | 12-Ф42 | 620 | - | 350 | |
| 300 | 286 | 410 | 500 | 585 | 850 | 78-3 | 16-Ф42 | 680 | - | 380 | |

| 公稱壓力(mpa) | 公稱通徑 (in) | 尺寸(mm) | |||||||||
|---|---|---|---|---|---|---|---|---|---|---|---|
| d | d1 | d2 | d3 | L | b-f | N-Ф | H | Lo | Do | ||
| 1.6 (PN16) |
15 | 15 | 45 | 65 | 95 | 130 | 16-2 | 4-Ф14 | 150 | 300 | - |
| 20 | 20 | 58 | 75 | 105 | 150 | 18-2 | 4-Ф14 | 155 | 300 | - | |
| 25 | 25 | 68 | 85 | 115 | 160 | 18-2 | 4-Ф14 | 160 | 300 | - | |
| 32 | 32 | 78 | 100 | 140 | 180 | 18-2 | 4-Ф18 | 180 | 350 | - | |
| 40 | 40 | 88 | 110 | 150 | 200 | 18-3 | 4-Ф18 | 190 | 400 | - | |
| 50 | 50 | 102 | 125 | 165 | 230 | 20-3 | 4-Ф18 | 200 | 500 | - | |
| 65 | 65 | 122 | 145 | 185 | 290 | 18-3 | 4-Ф18 | 220 | 500 | - | |
| 80 | 80 | 138 | 160 | 200 | 310 | 20-3 | 8-Ф18 | 230 | 550 | - | |
| 100 | 100 | 158 | 180 | 220 | 350 | 20-3 | 8-Ф18 | 380 | - | 300 | |
| 125 | 125 | 188 | 210 | 250 | 400 | 22-3 | 8-Ф18 | 460 | - | 300 | |
| 150 | 150 | 212 | 240 | 285 | 480 | 22-3 | 8-Ф22 | 520 | - | 320 | |
| 200 | 200 | 268 | 295 | 340 | 600 | 24-3 | 12-Ф22 | 580 | - | 320 | |
| 250 | 250 | 320 | 355 | 405 | 730 | 26-3 | 12-Ф26 | 620 | - | 350 | |
| 300 | 300 | 378 | 410 | 460 | 850 | 28-4 | 12-Ф26 | 680 | - | 380 | |
| 2.5 (PN25) |
15 | 15 | 45 | 65 | 95 | 130 | 16-2 | 4-Ф14 | 150 | 300 | - |
| 20 | 20 | 58 | 75 | 105 | 150 | 18-2 | 4-Ф14 | 155 | 300 | - | |
| 25 | 25 | 68 | 85 | 115 | 160 | 18-2 | 4-Ф14 | 160 | 300 | - | |
| 32 | 32 | 78 | 100 | 140 | 180 | 18-2 | 4-Ф18 | 180 | 350 | - | |
| 40 | 40 | 88 | 110 | 150 | 200 | 18-3 | 4-Ф18 | 190 | 400 | - | |
| 50 | 50 | 102 | 125 | 165 | 230 | 20-3 | 4-Ф18 | 200 | 500 | - | |
| 65 | 65 | 122 | 145 | 185 | 290 | 22-3 | 8-Ф18 | 220 | 500 | - | |
| 80 | 80 | 138 | 160 | 200 | 310 | 24-3 | 8-Ф18 | 230 | 550 | - | |
| 100 | 100 | 162 | 190 | 235 | 350 | 24-3 | 8-Ф22 | 380 | - | 300 | |
| 125 | 125 | 188 | 220 | 270 | 400 | 26-3 | 8-Ф26 | 460 | - | 300 | |
| 150 | 150 | 218 | 250 | 300 | 480 | 28-3 | 8-Ф26 | 520 | - | 320 | |
| 200 | 200 | 278 | 310 | 360 | 600 | 30-3 | 12-Ф26 | 580 | - | 320 | |
| 250 | 250 | 335 | 370 | 425 | 730 | 32-3 | 12-Ф30 | 620 | - | 350 | |
| 300 | 300 | 395 | 430 | 485 | 850 | 34-4 | 16-Ф30 | 680 | - | 380 | |

| 公稱壓力(mpa) | 公稱通徑 (in) | 尺寸(mm) | |||||||||
|---|---|---|---|---|---|---|---|---|---|---|---|
| d | d1 | d2 | d3 | L | b-f | N-Ф | H | Lo | Do | ||
| 4.0 (PN40) |
15 | 15 | 45 | 65 | 95 | 130 | 16-2 | 4-Ф14 | 150 | 300 | - |
| 20 | 20 | 58 | 75 | 105 | 150 | 18-2 | 4-Ф14 | 155 | 300 | - | |
| 25 | 25 | 68 | 85 | 115 | 160 | 18-2 | 4-Ф14 | 160 | 300 | - | |
| 32 | 32 | 78 | 100 | 140 | 180 | 18-2 | 4-Ф18 | 180 | 350 | - | |
| 40 | 40 | 88 | 110 | 150 | 200 | 18-3 | 4-Ф18 | 190 | 400 | - | |
| 50 | 50 | 102 | 125 | 165 | 230 | 20-3 | 4-Ф18 | 200 | 500 | - | |
| 65 | 65 | 122 | 145 | 185 | 290 | 22-3 | 8-Ф18 | 220 | 500 | - | |
| 80 | 80 | 138 | 160 | 200 | 310 | 24-3 | 8-Ф18 | 230 | 550 | - | |
| 100 | 100 | 162 | 190 | 235 | 350 | 24-3 | 8-Ф22 | 380 | - | 300 | |
| 125 | 125 | 188 | 220 | 270 | 400 | 26-3 | 8-Ф26 | 460 | - | 300 | |
| 150 | 150 | 218 | 250 | 300 | 480 | 28-3 | 8-Ф26 | 520 | - | 320 | |
| 200 | 200 | 285 | 320 | 375 | 600 | 34-3 | 12-Ф30 | 580 | - | 320 | |
| 250 | 250 | 345 | 385 | 450 | 730 | 38-3 | 12-Ф33 | 620 | - | 350 | |
| 300 | 300 | 410 | 450 | 515 | 850 | 42-4 | 16-Ф33 | 680 | - | 380 | |
| 6.4 (PN64) |
15 | 15 | 45 | 75 | 105 | 130 | 20-2 | 4-Ф14 | 150 | 300 | - |
| 20 | 20 | 58 | 75 | 105 | 150 | 20-2 | 4-Ф14 | 155 | 300 | - | |
| 25 | 25 | 68 | 100 | 140 | 160 | 24-2 | 4-Ф18 | 160 | 300 | - | |
| 32 | 32 | 78 | 110 | 155 | 180 | 24-3 | 4-Ф22 | 180 | 350 | - | |
| 40 | 40 | 88 | 125 | 170 | 200 | 28-3 | 4-Ф22 | 190 | 400 | - | |
| 50 | 50 | 102 | 135 | 180 | 230 | 26-3 | 4-Ф22 | 200 | 500 | - | |
| 65 | 65 | 122 | 160 | 205 | 290 | 26-3 | 8-Ф22 | 220 | 500 | - | |
| 80 | 80 | 138 | 170 | 215 | 310 | 28-3 | 8-Ф22 | 230 | 550 | - | |
| 100 | 100 | 162 | 200 | 250 | 350 | 30-3 | 8-Ф26 | 380 | - | 300 | |
| 125 | 125 | 188 | 240 | 295 | 400 | 34-3 | 8-Ф30 | 460 | - | 300 | |
| 150 | 150 | 218 | 280 | 345 | 480 | 36-3 | 8-Ф33 | 520 | - | 320 | |
| 200 | 200 | 285 | 345 | 415 | 600 | 42-3 | 12-Ф36 | 580 | - | 320 | |
| 250 | 250 | 345 | 400 | 470 | 730 | 46-3 | 12-Ф36 | 620 | - | 350 | |
| 300 | 300 | 410 | 460 | 530 | 850 | 52-4 | 16-Ф36 | 680 | - | 380 | |