本廠生產的KPF-16型流量平衡閥是一種具有特殊功能的閥門,具有良好的流量特性,能夠合理的分配流量,實現流量定量,可以有效地解決供熱(空調)系統中存在的室溫冷熱不勻問題。由于該閥門設有開啟度指示.開度鎖定裝置及用于流量測定的測壓小閥,所以只要在各支路及用戶入口裝上適當規格的平衡閥,并用專用智能儀表進行一次性調試后鎖定,將系統的總水量控制在合理的范圍內,從而克服了”大流量,小溫差”的不合理化現象。該平衡閥是供熱系統中的理想產品,最高介質溫度為1 00℃,歡迎選購。

|
公稱壓力 |
試驗壓力(MPo) |
工作壓力(MPa) |
工作介質 |
介質溫度 (℃) |
||
|---|---|---|---|---|---|---|
|
殼體 |
密封 |
P20 |
P12 |
|||
|
1 6 |
2 4 |
1 76 |
1 5 |
1 6 |
水 |
0-100 |
|
零件名稱 |
閥體、閥蓋、 |
閥桿 |
閥桿螺母 |
墊圈 |
填料 |
|---|---|---|---|---|---|
|
材料 |
灰鑄鐵 |
不銹鋼 |
鑄銅 |
橡膠石棉板 |
膨脹石墨 |
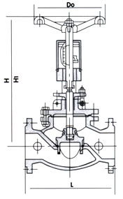
(法蘭連接PNl.6MPA按JB/T79—94標準)
|
型號 |
KPF-16 |
||||||||||||||||||
|---|---|---|---|---|---|---|---|---|---|---|---|---|---|---|---|---|---|---|---|
|
公稱壓力PN(Mpa) |
1.6 |
||||||||||||||||||
|
公稱通徑DN(MPa) |
15 |
20 |
25 |
32 |
40 |
50 |
65 |
80 |
100 |
125 |
150 |
200 |
250 |
300 |
350 |
400 |
500 |
600 |
|
|
尺寸 |
L |
130 |
150 |
160 |
180 |
200 |
230 |
290 |
310 |
350 |
400 |
480 |
495 |
622 |
698 |
787 |
914 |
978 |
1295 |
|
H |
150 |
160 |
182 |
192 |
250 |
264 |
380 |
413 |
446 |
540 |
623 |
687 |
782 |
914 |
968 |
1037 |
1440 |
1790 |
|
|
H1 |
160 |
170 |
197 |
207 |
270 |
284 |
410 |
448 |
506 |
595 |
688 |
762 |
867 |
1009 |
1073 |
1152 |
1440 |
1790 |
|
|
D0 |
80 |
180 |
80 |
90 |
100 |
120 |
200 |
200 |
240 |
240 |
360 |
400 |
500 |
500 |
680 |
680 |
|||
平衡閥的安裝位置:平衡閥既可以安裝在供水管上,也可以安裝在回水管上。一般我們建議裝在回水管上,尤其對于高溫環路為方便調試,更要裝在回水管上,安裝了平衡閥的供(回)水管就不必再設截止閥。

溫馨提示:
本文中所有文字、數據、圖片均只適用于參考。需要查看更多的KPF-16型流量平衡閥性能參數、結構尺寸參數、價格等詳情,或要求印刷樣本,請聯系我們。
主營產品:氣動調節閥 - 電動調節閥 - 自力式調節閥
版版權所有 © 上海大田閥門管道工程有限公司
地址:上海市浦東新區川宏路528號宏圖大樓5樓
